
Art.Nr.: N-3000700423
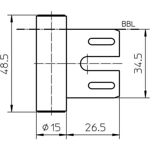
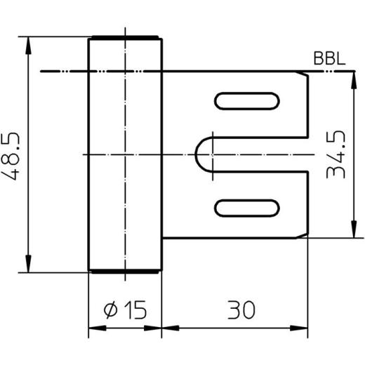
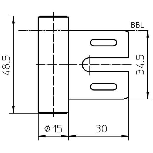
für gefälzte und ungefälzte Türen an Stahlzargen mit Variant-Hinterschweißtasche V 8600 / V 8610 · Rollenlänge 48,5 mm · Rollen-Ø 15 mm
Weitere technische Eigenschaften
· Anschlagrichtung: DIN links / rechts · Rollen-Ø: 15mm · Rahmenteil V 8000/30 WF · STA · vern.f.3-tlg.Stahlzargen · wartungsfreie Gleitlagertechnik ·
Technische Daten
| Material | Stahl |
| Oberfläche | vernickelt |
| Rollenlänge | 48,5 mm |
| Modell | V 8000/30 WF |
| Ausführung | verlängerter Lappen |
| passend für | Stahlzargen |
| Bandkonstruktion | für 3-teilig |
| Stift-Ø | 8 mm |
| Marke | SIMONSWERK |
Simonswerk GmbH · Bosfelder Weg 5 · 33378 Rheda-Wiedenbrück · Deutschland · mail@simonswerk.de
25,90 EUR
inkl. 19 % MwSt. zzgl. Versandkosten